Use DSP28335 to drive CGD1200HB2P-BM2
I am using the DSP28335 chip to input PWM signals into the CGD1200HB2P-BM2. However, the CGD1200HB2P-BM2 can only receive differential signals. What chip should I choose to convert a single-ended 3.3V signal into a 5V differential signal? Is there a typical circuit for the CGD1200HB2P-BM2 device?
Comments
-
Thank you for your post, it has been approved and we will respond as soon as possible.
0 -
Hi SilvaDeng,
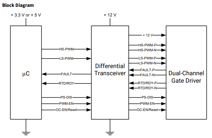
I recommend using the differential transceiver companion card (CGD12HB00D). You will feed the single-ended PWM signals from your F28335 to this transceiver card and then connect the differential outputs of the transceiver card to the BM2 gate driver. A similar example is shown below.
Best Regards,
Austin C.
0 -
Hello SilvaDeng,
I hope that this answered your question. I will close this discussion for now but if you have a follow up question, please "Start a New Discussion" and we would be glad to support you further.
Thanks,
Chris N.
0



